Merlin E3D-Groovemount
retail
Einzel VK 8,99€
30x OP1
Derived From
Attributes
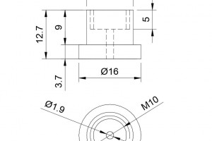
| Gewinde: | M10 | |
| Hersteller: | Protoworx |


