Druckfeder D-171B
retail
nt Stück Anzahl der Gesamtwindungen
Mat EN 10270-1 - Werkstoffart
Fdn Angelegt und geschliffen - Federenden
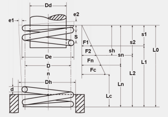
d 1 mm Drahtdurchmesser
D 6 mm Mittlerer Windungsdurchmesser
De 7 mm Äußerer Windungsdurchmesser
Detol 0,2 mm (+/-) Toleranz für Windungsdurchmesser
Dd 4,6 mm Dorndurchmesser
Dh 7,5 mm Hülsendurchmesser
L0 10,3 mm Ungespannte Länge der Feder
L0tol 0,31 mm (+/-) Toleranz für ungespannte Länge der Feder
S 2,657 mm Steigung der Federn
R 13,476 N/mm Federrate
n 3,5 Stück Anzahl der federnden Windungen
Ln 6,04 mm Kleinste Länge der Feder
sn 4,26 mm Größter Federweg bei statischer Belastung
Lk mm Knicklänge
Fn 57,419 N Höchstkraft der Feder
Fntol 5,06 N (+/-) Toleranz für statische Höchstkraft
Lndyn 6,31 mm Kleinste Länge dynamische Belastung
shdyn 1,68 mm Größter Federweg dynamische Belastung
Fndyn 53,767 N Dynamische Höchstkraft
Fndtol 5 N (+/-) Toleranz für dynamische Höchstkraft
Gew 0,6436 g Gewicht des Artikels
s2 mm Strecke der Feder gespannt
L2 mm Länge der Feder gespannt
F2 N Kraft der Feder gespannt
PG C - Preisgruppe für diesen Artikel

