VHM Gewindefräser für M2.5 - M4.0
retail
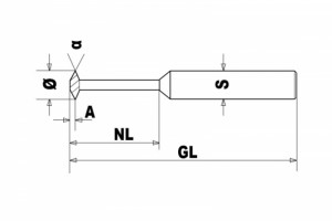
Durchmesser: 2,0mm
Winkel: 60°
A: 0,34mm
NL: 12mm
GL: 50mm
S: 3mm
Mit diesen Gewindefräsern, auch Gewindewirbler genannt, ist es möglich mit einfachen Spindeln (Z.B. Kress/Suhner) ohne Encoder/Syncronisierung Gewinde herzustellen.
Es können hiermit Durchgangs wie auch Sacklochgewinde hergestellt werden.


